Motor mic cu viteză de curent alternativ Furnizori

  • Seria 5500W
  • Seria 5500W
  • Seria 5500W
  • Seria 5500W
Motor mic cu viteză de curent alternativ

Seria 5500W

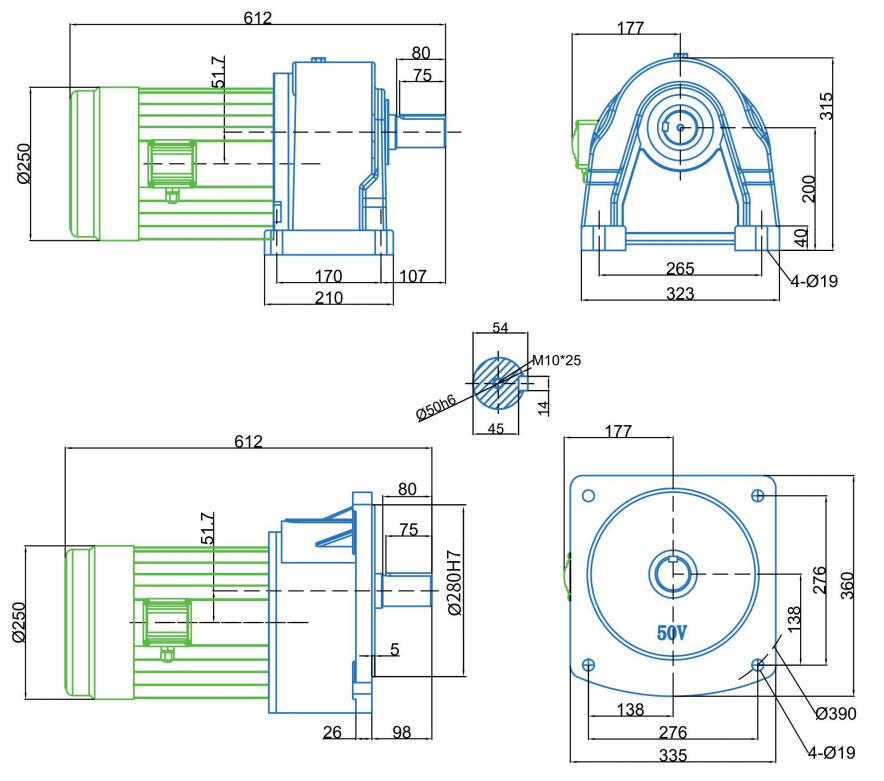
Power Motor: 5500W Instalare orizontală sau verticală

Faza: monofaza / trifazată

Raport de viteză: 3-1800K

Selectarea motorului: motor cu 3 faze 220V-240V/380V-415V, 50Hz/60Hz; 1 motor de fază, 220V, 50Hz/60Hz; 1 motor de fază, 110V, 50Hz / 60Hz

Diametrul arborelui de ieșire: φ50mm

  • Seria 5500W
  • Seria 5500W
  • Seria 5500W
  • Seria 5500W
APLICAȚIE ZONĂ
Suntem o întreprindere de înaltă tehnologie dedicată producției și vânzării de motoare reductoare de curent alternativ, motoare reductoare mici, reductoare planetare specifice servo, motoare de curent continuu fără perii și fără perii și alte produse.
  • Sortare logistică

  • Roboți automate

  • Tăiere laser

  • Poarta de control de acces

  • Centrul fotovoltaic

  • Dispozitive medicale

  • Agv

Descriere produs

CH50/CV50-5500W - (Caseta standard 1: 10 ~ 120) Desen dimensional

Parametrul de utilaje electrice

Parametrul de utilaje electrice

Putere (KW)

Tip

Tensiune (V)

Frecvență (Hz)

Curent evaluat (a)

Viteza de rotație nominală (RMP)

Condensatoare (μF)

Clasificarea izolației

Sistem de protecție

5.5kW

7,5 CP

Trifazic

380V

50Hz

15.2a

1420RMP

/

F

IP54

5500W- (1: 10-120 raport digital) Tabel de cuplu

Raportul Gera

10

15

20

25

30

40

50

60

70

80

90

100

120

140

160

180

200

300

1200

1800

Ieșire R.P.M.

50Hz

150

100

75

60

50

37

30

25

21.4

18.8

16.7

15

12.5

10.7

9.4

8.4

7.5

5

1.25

0.83

60Hz

180

120

90

72

60

45

36

30

25.7

22.5

20

18

15

12.9

11.3

10

9

6

1.5

1

Cuplu de ieșire kg/m

50Hz

31.4

47.2

62.9

78.6

94.3

125.8

157.2

188.6

220

251.5

283

314.4

60Hz

25.8

38.7

51.6

64.4

77.3

103.1

128.9

154.7

180.4

206.2

232

257.8

Viteza din tabel este calculată pe baza vitezei nominale a motorului la 50Hz/60Hz, 1420r.min/1732r.min

Viteza reală va varia ușor cu dimensiunea sarcinii, cu un interval de variație de aproximativ ± 5%.

+ Înțelegerea parametrilor detaliați ai produsului
Contactaţi-ne
  • Upload

Despre noi
Zhejiang Saiya Intelligent Manufacturing Co., Ltd.
Zhejiang Saiya Intelligent Manufacturing Co., Ltd. Înființată în 2009, cu 15 ani de experiență în industrie, este o întreprindere de înaltă tehnologie specializată în producția și vânzarea de motoare cu angrenaje Micro AC, motoare cu angrenaje mici AC, motoare cu angrenaje DC cu perii, motoare cu angrenaje DC fără perii BLDC, cutie de viteze planetară de precizie și role pentru motoare... etc. Suntem Vânzări en-gros din China Seria 5500W Furnizori şi OEM/ODM Seria 5500W Producători, Motoarele și cutiile de viteze Saiya sunt utilizate pe scară largă în roboți industriali, logistică inteligentă, mașini de energie nouă, roboți AGV și alte domenii avansate. În plus, acestea joacă roluri critice în procesarea alimentelor, ambalaje, textile, electronică, echipamente medicale și utilaje specializate, oferind soluții rentabile și diferențiate pentru diverse industrii. Pentru a ne spori avantajele în diferențiere și eficiență a costurilor, avem propria noastră companie comercială, Hangzhou Saiya Transmission Equipment Co., LTD, situată în Hangzhou, Zhejiang, aproape de porturile Shanghai și Ningbo, pentru a gestiona afacerile interne și externe, combinate atât cu vânzările directe, cât și cu distribuția, asigurând distribuție globală și asistență pentru clienți, oferind soluții economice și fiabile de înaltă calitate tuturor clienților noștri.

Cultură corporativă

Autentic și de încredere
Calitatea iese în evidență în mod natural.

Valori fundamentale: Dezvoltarea de sine și grija față de ceilalți.

Viziune:Deveniți expert în servicii în domeniul transmisiilor inteligente.

Misiunea noastră:Oferiți servicii de înaltă calitate și creați valoare pentru clienți.

Filosofia serviciilor:Urmărirea fericirii materiale și spirituale pentru toți angajații și contribuția la progresul și dezvoltarea societății umane.

  • 2009

    Stabilire
  • 80+

    Personal
  • 5+

    Linie de producție
Ştiri